新品发布 | 锐星微推出高性能双通道SPDT模拟开关RS3SW2158、RS3SW4223
锐星微电子正式推出两款全新双通道单刀双掷(SPDT)模拟开关芯片—RS3SW2158和RS3SW4223。两款产品基于先进工艺打造,以低导通电阻、宽电压范围、超低功耗为核心优势,搭配高带宽与高速切换特性,为便携式设备、消费电子及工业控制领域提供灵活高效的信号切换解决方案。
01 RS3SW2158
高带宽与通用性兼具
核心特性
-
带宽高达300MHz,支持高速信号传输 -
超低导通电阻:4.5Ω(典型值)
-
工作电压范围:+1.8V至+5.5V
-
切换速度:30ns(典型值)
-
高关断隔离度:-56dB@1MHz
-
兼容TTL/CMOS,适应复杂逻辑环境
-
宽温工作范围:-40°C至+125°C
典型应用
-
可穿戴设备、手机及便携式计算机
-
电池供电设备节能优化
-
信号选通、调制解调及精密控制
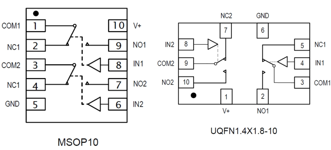
封装尺寸

02 RS3SW4223
超低阻抗与高精度设计
核心特性
-
导通电阻低至1.2Ω(典型值),导通电阻匹配0.1Ω
-
导通平坦度仅0.2Ω
-
工作电压范围:+1.65V至+5V
-
切换速度:30ns(典型值)
-
高关断隔离度:-65dB@1MHz
-
宽温工作范围:-40°C至+125°C
典型应用
-
高精度信号切换场景(如工业控制)
-
低功耗可穿戴设备与移动终端
-
高速数据调制与解调系统
-
手机
封装尺寸

分享
推荐文章
-
PCIe 7.0(即PCI Express 7.0)是PCI Express接口的最新版本,它提供了更高的带宽和更低的功耗,旨在支持未来的高速数据传输需求。特别适应下一代处理器高带宽的要求,由PCIe 5.0的32GT/s跨越至128GT/s,×16单向带宽可达512GB/s,成为CPU、GPU、加速器、DPU与存储系统之间的高速互联标准接口。 在PCIe 7.0的实现中,时钟缓冲器(Clock Buffer)用于确保时钟信号在高速传输过程中的稳定性和可靠性。因为高速数据传输要求极其精确的时钟同步,这些缓冲器通常放置在关键的信号路径上,尤其是在长距离传输或高负载条件下的抖动指标至关重要。 锐星微RS2CB190xx系列时钟Buffer是锐星微电子专为新一代服务器CPU平台设计。该系列提供4~20个LP-HCSL输出,附加相位抖动低,支持1.8V低压低功耗,支持Common Clock(CC)和Independent Reference(IR)架构,兼容SMBus配置和Side-Band Interface(SBI)。完全满足PCIe7.0规范对参考时钟的极端低抖动要求,附加相位抖动低至3 fs RMS以下(PCIe ...
-
热血同行,快乐翻倍!锐星微常熟2天1夜团建圆满落幕,这份鲜活的,值得被定格~ >>>全力奔赴,凝聚共燃 首日行程于红豆山庄活力开启!一系列趣味团队游戏轮番上演,大家卸下压力,全情投入。为了共同荣誉而默契协作、奋力冲刺,现场笑声与呐喊此起彼伏。 每一次的并肩作战,都让团队的心贴得更近——这正是锐星微独有的凝聚力!经过几番热烈角逐,各队实力悉数展现,最终的获奖团队也为这场酣畅淋漓的比拼画上圆满句点。 当夜幕降临,温馨热闹的颁奖晚宴正式拉开帷幕。我们围坐一堂,在享用美食的同时,为白天脱颖而出的三支团队隆重颁奖。沉甸甸的荣誉证书与专属奖励,是对每一份全力以赴的认可,也为此次旅程增添了闪亮的高光。席间,大家畅谈工作与生活,分享一天的收获与喜悦,氛围格外温暖动人。 >>>悠然漫行,身心治愈 第二天,切换至悠闲模式,前往国家5A级旅游景区——沙家浜。这里坐拥阳澄湖畔的生态美景,既是著名的红色胜地,亦蕴藏着浓郁的江南水乡韵味。大家或漫步青石小路、穿行芦苇荡间,或打卡春来茶馆、参观革命历史纪念馆,或品...
-
2025年11月21日-24日,备受瞩目的第十二届广州国际汽车技术展览会(AUTO TECH China 2025)将在广州广交会展馆 D 区盛大开幕。上海锐星微电子科技有限公司(展位号:3912)将携全系列核心产品重磅参展,与行业同仁共话汽车电子技术革新,展示在模拟时钟信号链领域的硬核实力。 车规核心产品矩阵 晶体振荡器(XO)系列 核心优势:高抗干扰能力,适应复杂车载电磁环境,宽温域(-40~125℃)稳定输出 应用场景:智能座舱、ADAS、车载网络等高频时钟需求 时钟发生器系列 输出可调:支持25MHz、50MHz、100MHz等多频点灵活配置。 高精度同步:确保各模块时钟同步,有效降低系统延迟与数据误差 场景适配:适用于智能驾驶L2/L3级系统及智能座舱等核心场景 实时时钟(RTC)系列 技术特点:温补高精度计时,为安全和座舱系统提供精准时间信息 寿命保障:满足汽车电子15年以上生命周期需求 电平转换器系列 接口兼容:支持SPI、I2C、UART等多种电压信号 应用领域:智能座舱、智驾、TBOX等系统信号传输 ...
-
2025年9月23日至27日上海·国家会展中心(上海市青浦区崧泽大道333号),锐星微将参展中国国际工业博览会——智行未来展展位号为5.2H-C182,携手行业伙伴共探汽车电子前沿技术,展示多款符合车规级标准的高可靠性芯片产品,为智能出行注入强劲“芯”动力! >>>聚焦展品:严苛标准下的车规芯片及解决方案 锐星微深耕时钟与模拟芯片领域,现已形成九大核心产品线,包括:晶体振荡器、复位&电压检测电路、实时时钟(RTC)、时钟缓冲器、时钟发生器、电平转换、运算放大器、信号开关及比较器。 为满足汽车电子对安全性、可靠性与稳定性的极高要求,公司依托强大的自主研发能力,已将其中六大产品线全面导入车规领域,并推出全系列车规级产品及完整解决方案。 车规级产品线涵盖: 时钟与同步产品: 晶体振荡器、实时时钟(RTC)、时钟缓冲器、时钟发生器 接口与信号链产品: 电平转换器、信号开关 车规产品矩阵 我们的车规产品致力于为智能汽车的核心应用,如智能座舱、高级驾驶辅助系统(ADAS)、车身控制及...
